Насос секційний
НСШ 360-125…620 (1500 об/хв)

Насоси НСШ 360-125…620 призначені для перекачування води, що має водневий показник рН 7-8,5, з масовою часткою механічних домішок не більше 0,2% і розміром твердих частинок не більше 0,2 мм, мікротвердістю не більше 1,47 ГПа та щільністю не більше 1500 кг/м3, з температурою до 45°С.
Основні технічні дані насоса
Основні технічні дані насоса НСШ 360-125…620

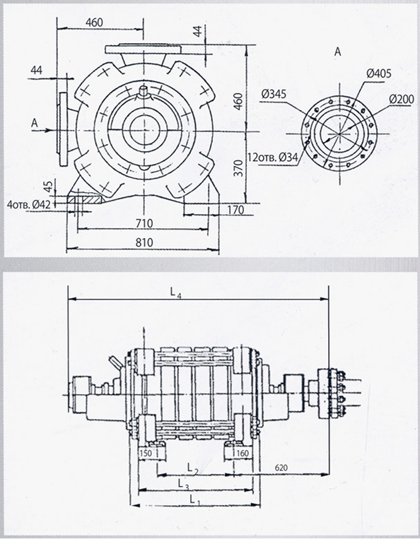
Основні габаритні та приєднувальні розміри НСШ 360-125…620


Графічні характеристики насоса НСШ 360-125…620
